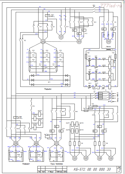
Схема принципиальная электрическая крана КБ572А
На работе у нас имеется такой кран, а схема очень старенькая и порванная, долго искал нормальную вот еле нашел.
На работе у нас имеется такой кран, а схема очень старенькая и порванная, долго искал нормальную вот еле нашел.